产品详情

  • 托菲 EHK105HS+MS系列重载型编码器+机械超速开关

托菲 EHK105HS+MS系列重载型编码器+机械超速开关

品牌:托菲

  • 托菲传感技术(上海)股份有限公司

    普通商家
  • 经营模式:叉车配件制造商 
  • 地区:中国上海市虹口区
  • 地址:中国上海市虹口区

产品详情

产品图片

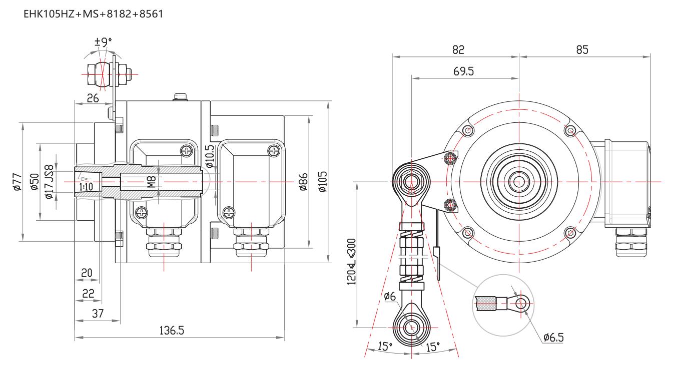
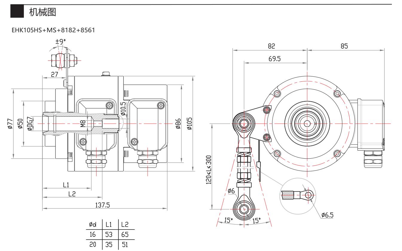
EHK105HS+MS

感应原理 光电+机械离心式

外径 Φ105mm

空心轴 Φ16mm、Φ20mm、 锥轴 17(1:10)

最大脉冲 2500PPR

超速值 720~3600rpm

工作电压 5-30V

防护等级 IP66



取消