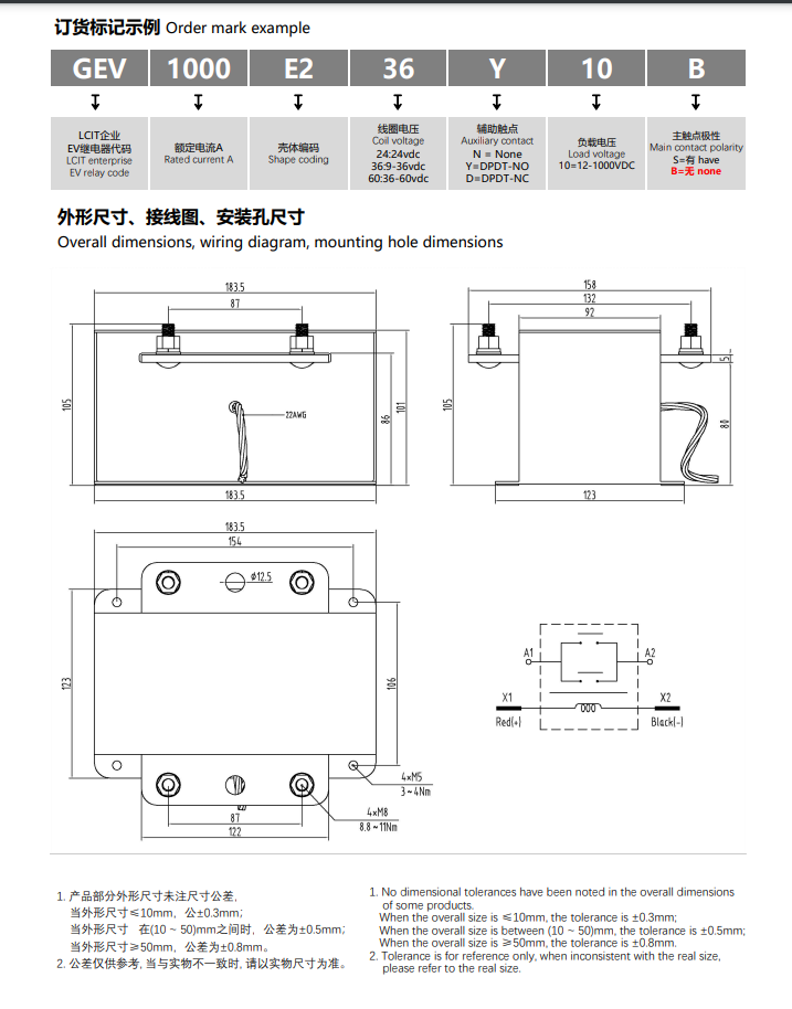
产品详情

  • 高压直流接触器继电器GEV1000E236Y10S

高压直流接触器继电器GEV1000E236Y10S

品牌:LCITIND

  • 上海锂楚实业有限公司

    普通商家
  • 经营模式:叉车配件制造商 
  • 地区:中国上海市松江区
  • 地址:中国上海市松江区

产品详情

产品图片

13 585 916 719 微信同号

高压直流继电器,高压直流接触器

产品线全覆盖10-1000A 圆形/方形,陶瓷/环氧,替代泰科,松下,LS , GIGAVAC等

欢迎联络洽谈合作,支持OEM,ODM非标定制合作模式,代开发定制PDU,BDU等


取消