伦迪叉车:BDD系列-半电动堆高车
品牌:伦迪
产品详情
产品参数
产品图片
应用技术特点
■钢板链接转向结实耐用
■防爆阀确保平台下降平稳,保护操作者的安全;
■调节货叉可降至与支腿同等高度;
■脚动制动操作简单。
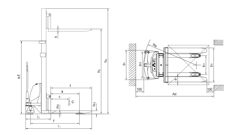
| 驱动方式:电动(蓄电池),柴油,汽油,燃气 | 手动 | |
| 驾驶方式(手动,步行,站驾,坐驾,拣选) | 步行 | |
| 額定载荷 | Q(kg) | 1000/1500/2000 |
| 载荷中心距 | c(mm) | 500 |
| 前悬距 | x(mm) | 745 |
| 轮距 | Y(mm) | 1185 |
| 自重(带电瓶) | kg | 380/400/440 |
| 轮子 | 尼龙轮 | |
| 轮子尺寸,前轮 | φ180*50 | |
| 轮子尺寸,后轮 | φ80X70 | |
| 轮,前后数量(X二驱动轮) | 2/2 | |
| 前轮轮距 | blO(mm) | 700 |
| 后轮轮距 | bll(mm) | 410/525 |
| 起升高度 | hl(mm) | 1600/2000/2500/3000/3500 |
| 门架缩回时高度 | h3(mm) | 2090/1590/1840/2090/2340 |
| 作业时门架最大高度 | h4(mm) | 2100/2500/3000/3500/4000 |
| 降低时高度 | hl3(mm) | 90 |
| 总体长度 | ll(mm) | 1860 |
| 叉面长度 | 1100 | |
| 车体宽度 | bl(mm) | 800 |
| 货叉尺寸 | S/e/l(mm) | 50X160X1100 |
| 货叉外宽 | b5(mm) | 320-1030 |
| 轴距中心离地间隙 | m2(mm) | 40 |
| 通道宽度,托盘1000x1200(1200跨货叉放置) | Ast(mm) | 2305 |
| 通道宽度,托^800x1200(1200沿货叉放置) | Ast(mm) | 2258 |
| 转弯半径 | Wa(mm) | 1425 |
| 提升速度,满载/空载 | m/s | 0.08/0.1 |
| 下降速度,满载/空载 | m/s | 0.12/0.09 |
| 行车制动 | 机械制动 | |
| 提升电机功率 | kW | 1.6 |
| 电瓶12V | AH | 120 |
| 蓄电池重量 | Kg | 43 |
| 蓄电池尺寸(长X宽X高) | mm | 376*188*320 |
| 驾驶员耳边噪音等级符合DIN12053 | dB(A) | ≤70 |
| 备注:特殊规格可以按照客户要求制作 | ||


