伦迪叉车:CDD-A系列-步行式堆高车
品牌:伦迪
产品详情
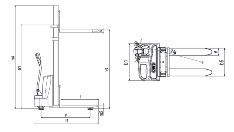
产品参数
产品图片
应用技术特点
■额定载荷的情况下,可在5%的坡道上轻松自如的作业。
■整车小巧,灵活,机动性能好,在空间狭窄的场所也能高效,自如的工作。
■手柄设有龟速开关,并且手柄具有直立行走功能。
■采有可调节平衡轮, 车子行走平稳,左右无摇晃现象。
■具有 良好的避震效果,平衡轮总成整体可拆卸,方便维修、保养。
| 技术配置参数表 | 单位 | CDD-A10 | CDD-A15 |
| 驱动方式 | 电动(蓄电池) | 电动(蓄电池) | |
| 驾驶方式 | 步行 | 步行 | |
| 额定载荷 | Q(kg) | 1000 | 1500 |
| 载荷中心距 | c(mm) | 500 | 500 |
| 轮距 | Y(mm) | 1555 | 1555 |
| 自重(带电瓶) | kg | 418-526 | 418-526 |
| 轮子 | PU轮 | PU轮 | |
| 轮子尺寸,前轮 | Φ50X80 | Φ210X80 | |
| 轮子尺寸,后轮 | Φ80X70 | Φ80X70 | |
| 附加轮(尺寸) | Φ100X50 | Φ100X50 | |
| 轮,前后数量仅=驱动轮) | lx+2/4 | lx+2/4 | |
| 前轮轮距 | blO(mm) | 886 | 886 |
| 后轮轮距 | bll(mm) | 525 | 525 |
| 起升高度 | hl4(mm) | 1600/2000/2500/3000/3500 | 1600/2000/2500/3000/3500 |
| 门架缩回时高度 | hl5(mm) | 2090/1590/1840/2090/2340 | 2090/1590/1840/2090/2340 |
| 降低时高度 | hl3(mm) | 90 | 90 |
| 总体长度 | ll(mm) | 1800 | 1800 |
| 作业时门架髙度 | I2(mm) | 2090/2500/3000/3500/4000 | 2090/2500/3000/3500/4000 |
| 车体宽度 | bl(mm) | 800 | 800 |
| 货叉尺寸 | S/e/l(mm) | 60/170/1100 | 60/170/1100 |
| 货叉外宽 | b5(mm) | 690 | 690 |
| 轴距中心离地间隙 | m2(mm) | 40 | 40 |
| 通道宽度,托盘1000x1200(1200跨货叉放置) | Ast(mm) | 2200 | 2200 |
| 通道宽度,托盘800x1200(1200沿货叉放置) | Ast(mm) | 2100 | 2100 |
| 转弯半径 | Wa(mm) | 1370 | 1370 |
| 行驶速度,满载/空载 | Km/h | 4/5.6 | 4/5.6 |
| 提升速度,满载/空载 | m/s | 0.08/0.1 | 0.08/0.1 |
| 下降速度,满载/空载 | m/s | 0.12/0.09 | 0.12/0.09 |
| 爬坡能力,装载/卸载 | % | 3/7 | 3/7 |
| 行车制动 | 电磁制动 | 电磁制动 | |
| 驱动电机功率 | kW | 0.75 | 0.75 |
| 提升电机功率 | kW | 2.2 | 2.2 |
| 电瓶24V | AH | 80 | 80 |
| 蓄电池重量 | Kg | 26X2 | 26X2 |
| 驾驶员耳边噪音等级符合DIN12053 | dB(A) |


